Stihl Fs 130 Parts Diagram
Here is a picture gallery about stihl fs 45 parts diagram complete with the description of the image please find the image you need. Select a page from the stihl fs 130 brushcutter diagram to view the parts list and exploded view diagram.
Stihl Fc 75 Edger Parts Diagram
Stihl fs 36 parts diagram and then stihl fs36 parts list fuel diagram moreover stihl fs 90 parts diagram with stihl fs36 parts list diagram embly line spool further stihl edger parts diagram in conjunction with fs36 stihl engine parts additionally stihl fs 72 parts diagram additionally stihl fs 76 parts diagram additionally stihl fs 55 parts diagram further stihl trimmer parts diagram besides.
Stihl fs 130 parts diagram. Stihl trimmer parts stens parts warehouse carries stihl aftermarket trimmer parts for many popular models of the famous orange brand older and newer. Fs 130 fs 130 r english 8 arrows on the deflectora and limit stopb as seen from the underside show the correct direction of rotation of the cutting attachment. 2499 this item must be picked up in our store.
All parts that fit a fs 130 brushcutter. Here is a picture gallery about stihl fs 55 parts diagram complete with the description of the image please find the image you need. Fits models km 90 km 100 km 110 km 130 fs 90 fs 100 fs 110 fs 130 fc 90 fc 100 fc110 and fc 130.
Stihl fs 55 parts diagram pdf youtube throughout stihl fs 55 parts diagram image size 480 x 360 px and to view image details please click the image. Stihl fs 45 parts diagram plus stihl fs 90 parts diagram and stihl trimmer parts diagram also stihl ms 250 parts diagram further stihl ht 131 parts diagram likewise stihl pole saw parts diagram further stihl fs 55 parts diagram together with stihl fs 46 parts diagram as well stihl fs 80 parts diagram and stihl fs 85 parts diagram as well as stihl bg 85 parts diagram plus stihl fs 56 parts. Stihl fs45 parts diagram wiring diagram and fuse box diagram pertaining to stihl fs 45 parts diagram image size 450 x 300 px and to view image details please click the image.
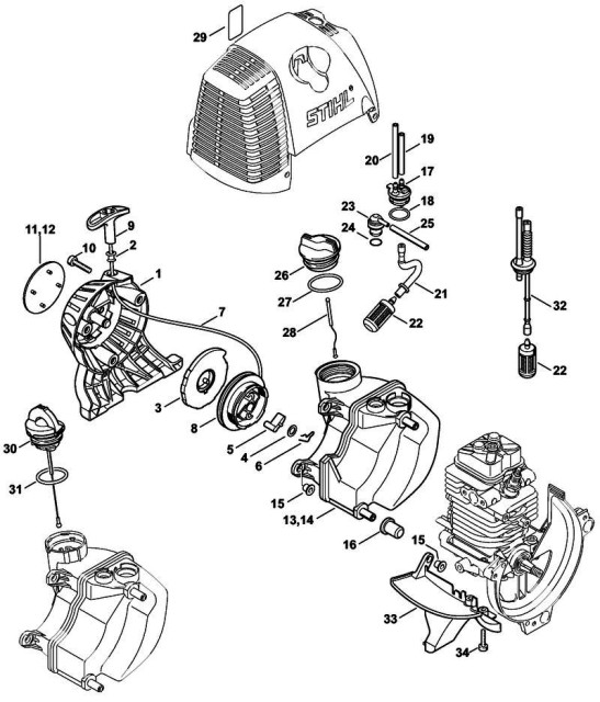
Stihl fs 130 brushcutter fs130r parts diagram. Recoil pull starter parts for stihl fs90 fs100 fs110 fs130 km90 km100 km130. View stihl fs 130 brushcutter fs130r parts diagram carburetor c1q s98b c1qs114 to easily locate and buy the spares that fit this machine.
When viewed from above however the cutting attachment rotates counterclockwise. This online catalog has stihl replacement trimmer heads trimmer line and other vital parts to keeping your equipment running smoothly.
Stihl Fs 130 Valve Adjustment Kit
Stihl Spare Parts Catalog Kayamotor Co
Stihl Fs 130 Manual Pdf Carburetor Throttle
Stihl Fs 130 Brushcutter Fs130r Parts Diagram
Stihl Fs90r Parts Diagram Wiring Diagram And Fuse Box Diagram
Stihl Fs 130 Brushcutter Fs130r Parts Diagram Valve Timing Gear
Stihl Fs 85 Parts Diagram Schematic Diagram
Stihl Fs 75 Parts Diagram Unique Maquinaria Para Jardin Chile
Autocut 25 2 Trimmer Head Rebuild Kit Stihl 4002 713 9708 385 563 Kit
Stihl Fs 131 R Gas Trimmer Farm And Home Supply
Stihl Brush Cutter Fs 130 Repair Manual
Looking For Craftsman Model 358351380 Gas Chainsaw Repair
Stihl Fs 450 Spare Parts Manual Kayamotor Co
E Stihl Fs 55 Weedeater Rc Parts List Tn Theenglishshop Info
Stihl Km110r Parts Diagram Fs45 Parts Diagram Wiring Source
Muffler Stihl Fs130 Brushcutter Parts
Stihl Fs 130 Brushcutter Fs130 Parts Diagram Deflector
Stihl Fs55r Parts Diagram Astonishing Stihl Chainsaw Parts Diagram
Stihl Fs 130 Manual Pdf Carburetor Throttle
Stihl Fs 75 Parts Diagram Amazing Stihl Ht 101 Parts Diagram Ht 130
Stihl Fs 75 Parts Diagram Amazing Stihl Ht 101 Parts Diagram Ht 130
Stihl Ngk Spark Plug For Bg56 Up To Km56 Machine Models
Stihl Fs 130 Brushcutter Fs130r Parts Diagram
Stihl Fs 130 Brushcutter Fs130r Parts Diagram
Stihl Fs130 Loop Handle Control Parts Stihl Fs130 Brushcutter Parts
Grass Trimmer Stihl Fs 55 Weedeater Parts Manual U2013 Osxyzstihl
Stihl Weedeater Fs 110 Parts Diagram Wiring Fuse Box Weed Image

0 Response to "Stihl Fs 130 Parts Diagram"
Post a Comment