Wabco Trailer Abs Wiring Diagram

Wabco trailer abs wiring diagram meritor trailer abs wiring diagram wabco trailer abs ecu wiring diagram wabco trailer abs module wiring diagram folks comprehend that trailer is a vehicle comprised of rather complicated mechanics. Wabco abs wiring diagram meritor abs valve wiring diagram meritor abs wiring diagram meritor wabco trailer abs wiring diagram every electrical arrangement consists of various different components.

Abs Trailer Plug Wiring Diagram Wiring Diagram

Wabco trailer abs wiring diagram meritor trailer abs wiring diagram wabco trailer abs ecu wiring diagram wabco trailer abs module wiring diagram every electric arrangement is made up of various distinct parts.

Wabco trailer abs wiring diagram. Before you begin. 434 500 000 0 notes. Service notes before you begin this manual provides correct service and repair procedures for wabcos anti lock braking system for trucks tractors and buses.

Otherwise the structure will not work as it should be. Anti lock braking system abs for trucks tractors and buses. This article will be talking wabco trailer abs wiring diagram.

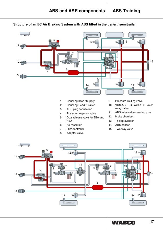
See diagram 2 the purpose of the above is to prevent a steering torque being developed on split coefficient surfaces across the axle due to different braking forces being generated by each wheel which could cause vehicle instability under braking. Abs troubleshooting for trucks trailers and buses. N o t r e l e a s e d 0 2 1 2 1 0 p r o p r i e t a r y enhanced easy stoptm trailer abs with plc maintenance manual mm 0180 revised 02 10 2s1m basic.

Each component ought to be set and linked to different parts in particular way. This manual contains maintenance procedures for wabcos easy stop tm trailer anti lock braking system abs. Locate the correct wiring diagram for the ecu and system your vehicle is operating from the information in the tables below.

Wabco abs wiring thank you for visiting our site this is images about wabco abs wiring posted by alice ferreira in wabco category on may 27 2019. You can also find other images like images wiring diagram images parts diagram images replacement parts images electrical diagram images repair manuals images engine diagram images engine scheme diagram images wiring harness diagram. The information contained in this manual was current at time of publication and is subject to change.

For d version ecus maintenance manual. You can also find other images like engine wiring diagram engine parts diagram engine replacement parts engine electrical diagram engine repair manuals engine engine diagram engine engine scheme diagram engine wiring harness. Ecu wiring diagrams listed by make and model.

Diagram 1 6s3m 4s3m diagram 2 4s2m 2s2m. This vehicle is designed not just to travel 1 place to another but also to take heavy loads. Each component ought to be placed and linked to other parts in particular way.

Wabco trailer abs wiring here you are at our site this is images about wabco trailer abs wiring posted by benson fannie in wabco category on may 28 2019. If not the arrangement wont work as it should be.

Wabco 4s 4m Abs Wiring Diagram Wiring Diagram

Bendix Wiring Diagram Wiring Diagram Schema Blog

Wabash Trailer Abs Wiring Diagram Wabash Trailer Dimensions Wabash

Wabco Abs Trailer Wiring Diagram My Wiring Diagram

Wabco Abs Wiring Diagram Wiring Diagram

Abs System Diagram Good Abs System Class Diagram Diagram With Labels

Meritor Trailer Abs Wiring Diagram Meritor Air Brake Schematic

Bendix Wiring Diagram Wiring Diagram Schema Blog

Tractor Trailer Abs Wiring Diagram Wiring Diagram Schematics

Wabco Trailer Abs Wiring Wiring Diagram

Meritor Wiring Diagram Diagram Data Schema

Tebs E

Haldex Full Function Abs Valve Ffabs Youtube

Freightliner Wabco Abs Wiring Diagram Wiring Diagram

Haldex Abs Wiring Diagram Wiring Diagram G9

Wrg 4232 Jeep Wiring

Wabco Abs Trailer Wiring Diagram My Wiring Diagram

Meritor Wabco Trailer Abs Wiring Diagrams Wiring Diagram Ed

Freightliner Wabco Abs Wiring Diagram Wiring Diagram

Meritor Wiring Diagram Wiring Diagram Data Schema

Abs Wiring Schematic Wiring Diagrams My

Tebs E

Diagram For Whirlpool Washing Machine Moreover Maytag Washing

Meritor Abs Wiring Diagram Wiring Diagram Schematics

Wabco Abs Wiring Diagram Wiring Diagram General

Wabco Abs Trailer Wiring Diagram Wiring Diagram Data Today

Meritor Wabco Wiring Diagram Meritor Wabco Trailer Abs Wiring

Wabash Trailer Abs Module Wiring Diagram Kenworth Fuse Panel

Audi A2 Wiring Diagram Wiring Diagrams

Ecu Wiring Diagrams

Haldex Trailer Abs Wiring Diagram Wiring Diagram Pmz

Meritor Wiring Diagram Diagram Data Schema


0 Response to "Wabco Trailer Abs Wiring Diagram"

Post a Comment

Iklan Atas Artikel

Iklan Tengah Artikel 1

Iklan Tengah Artikel 2

Iklan Bawah Artikel