2003 Toyota Matrix Wiring Diagram

Whether your an expert toyota matrix car alarm installer toyota matrix performance fan or a novice toyota matrix enthusiast with a 2003 toyota matrix a toyota matrix car alarm wiring diagram can save yourself a lot of time. Autozone repair guide for your wiring diagrams overall electrical wiring diagram 2003 overall electrical wiring diagram 2003 1.

Toyota Matrix 2005 Fuse Box Diagram Wiring Diagrams Schematic For

This manual contains deep information about maintainingassembly disassembly and servicing your toyota matrix.

2003 toyota matrix wiring diagram. Autozone repair guide for your wiring diagrams overall electrical wiring diagram 2005 overall electrical wiring diagram 2005 1 overall electrical wiring diagram 2003 overall electrical wiring diagram 2004. 2003 toyota matrix repair manual and wiring diagram download here 2003 toyota matrix repair manual and wiring diagram complete service repair manual for the 2003 toyota matrix. It reveals the components of the circuit as streamlined forms as well as the power and signal connections between the tools.

A wiring diagram is a streamlined conventional pictorial depiction of an electric circuit. Assortment of 2003 toyota matrix wiring diagram. The following file contains detail information about 2003 toyota matrix wiring diagram electrical system troubleshooting applicable models.

Listed below is the vehicle specific wiring diagram for your car alarm remote starter or keyless entry installation into your 2003 2008 toyota matrixthis information outlines the wires location color and polarity to help you identify the proper connection spots in the vehicle. The toyota matrix sometimes officially referred to as the toyota corolla matrix is a compact hatchback manufactured by the toyota motor corporation since 2003the 2003 model years was powered by a 130 horsepower 97 kw 18 l four cylinder engines. This manual contains deep information about maintainingassembly disassembly and servicing your toyota matrix.

Toyota accessories with 2003 toyota matrix parts diagram image size 600 x 459 px and to view image details please click the image. Id 159570422 2003 toyota matrix repair manual and wiring diagram. One of the most time consuming tasks with installing an after market car alarm car security car remote start automatic remote starter shock sensor tilt sensor car.

Complete service repair manual for the 2003 toyota matrix. Here is a picture gallery about 2003 toyota matrix parts diagram complete with the description of the image please find the image you need. 2003 toyota matrix parts oem toyota parts amp.

2003 Corolla Radio Fuse Diagram Wiring Diagrams Schema

2003 Toyota Matrix Parts Diagram Pretty 2003 Toyota Ta A Engine

2003 Toyota Corolla Matrix Oem Factory Electrical Wiring Diagram

2003 Toyota Matrix Fuse Box Wiring Diagram

Toyota Matrix Fuse Box Best Place To Find Wiring And Datasheet

2003 Toyota Matrix Wiring Diagram Wiring Diagram Official

2007 Matrix Fuse Box Wiring Diagram Experts

Scion Tc Power Window Wiring Diagram Brandforesight Co

2005 Toyota Matrix Wiring Diagram Wiring Library

Toyota Matrix Wiring Diagrams Wiring Diagram

Toyota Tacoma Radio Wiring Diagram Lovely Outstanding Toyota Matrix

Toyota Matrix 2004 Fuse Box Diagram Wiring Diagram

Wrg 0325 03 Toyota Matrix Fuse Box Location

2003 Toyota Corolla Matrix Service Repair Manual Electrical Wiring

Toyota Matrix Parts Diagram Admirably 2003 Toyota Matrix Hose

2003 Matrix Fuse Box Diagram Online Wiring Diagram

Amazon Com Stereo Wire Harness Toyota Matrix 03 04 2004 Car Radio

Toyota Matrix Engine Diagram Wiring Diagram For Wiring Diagram And

2006 Toyota Matrix Wiring Diagram Manual Original

2003 Toyota Matrix Parts Diagram Beautiful Toyota Matrix Power

2003 Toyota Wiring Diagram Diagram Data Schema

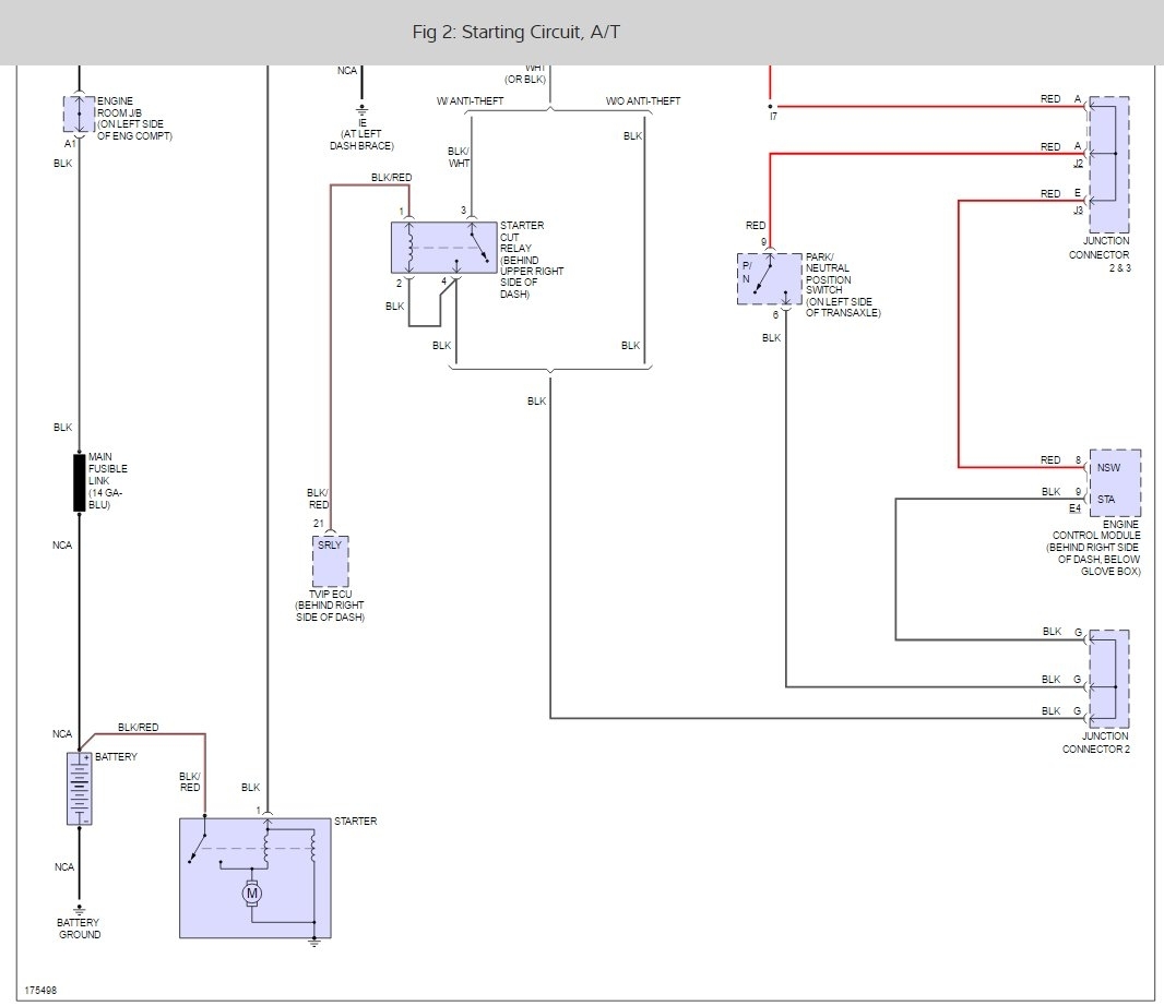
Where Is The Neutral Safety Switch Located On My 2003 Toyota

2003 Toyota Wiring Diagram Wiring Diagram Gol

2003 Toyota Rav4 Parts Diagram 2003 Toyota Matrix Exhaust System

2005 Toyota Matrix Fuse Box Diagram Wiring Diagram Online


0 Response to "2003 Toyota Matrix Wiring Diagram"

Post a Comment

Iklan Atas Artikel

Iklan Tengah Artikel 1

Iklan Tengah Artikel 2

Iklan Bawah Artikel