Hayward Filter Parts Diagram
Proceed to checkout continue shopping proceed to checkout. Hayward sand filter parts that fit straight from the manufacturer.
Pool Filter Parts Replacement Parts Lists Pool Plaza
Hayward hayward pro series sand filter s180t s210t s220t s244t parts hayward pro series sand filter s180t s210t s220t s244t parts.
Hayward filter parts diagram. Questions answers discuss repair. Ie9 and older versions are not supported. Hayward s200 sand filter parts.
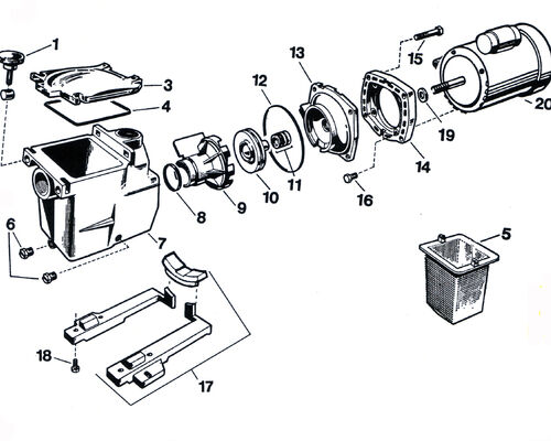
14 sx202qa folding lateral assembly see diagram a 1 1 15 sx200h bottom screen 10 1 16 sx200aa1t filter tank bottom with drain assembly taupe 1 1 17 sx200j filter support stand 1 1 18 sx200z9 gasket 25 1 19 sx200z8a drain cap kit includes cap and gasket 50 1. More from the hayward filter parts collection hayward s 200 s 240 side mount sand filter parts hayward sand master sm1700t sm1900t sm2300t sand filter parts. Parts for all filter brands including hayward pentair sta rite jandy waterway pool heater parts parts for raypak hayward pentair sta rite jandy coates and more.
Skip to the end of the images gallery. Skip to the beginning of the images gallery. Pool parts accessories.
Close us english. We sell only genuine hayward parts. Hayward websites have been developed in compliance with standards for internet explorer 10 or later.
Support center parts diagram library. White goods hayward is a leading manufacturer in the swimming pool industry and offers a wide variety of white goods that provide years of long lasting performance. Find any hayward pool parts for pool cleaners pumps valves and more with our model schematics easy parts search and highly trained support staff.
In ground above ground by category. Pool pumps pool filters. Use our interactive diagrams accessories and expert repair help to fix your hayward sand filter repair center.
By pool type. Repair parts home pool and spa parts hayward parts hayward sand filter parts hayward s200 sand filter parts. Hot tub parts swimming pool parts chemicals supplies and covers.
Spa heaters hayward electric spa heaters contain all of the sophisticated features and capabilities of heaters twice their size.
Ten Unconventional Knowledge About Diagram Information
Hayward Micro Clear De Filter Parts Also Sold As Leslies Crystal
Hayward Super Ii Pump Parts Hayward Pump Parts Diagram
Hayward S200 Sand Filter Exploded Diagram Swimming Pool Parts
Hayward Pool Parts Pool Filter Parts Diagram Pretty Images Series
Hayward De Filter Parts Pool Filter Parts Poolpartsonline Com
Hayward Progrid Perm A Glass D E Filter Parts Inyopools Com
Hayward Pool Pump Parts Grhcommunication Info
Swimming Pool Sand Filter Diagram Elegant Hayward Pool Filter Parts
Filter Parts Cartridge Filter Parts Clearwater Ii Waterway
Hayward Pool Pump Parts Super Ii Pump Parts Super Ii Pump Parts
Hayward Swimclear Parts C2025 C3025 C4025
Hayward Star Clear Plus Filters Parts Diagram
Hayward Cartridge Filter C2020 Ereplacementparts Com
Hayward H Series Millivolt Electronic Ed1 Style Heater Parts
Hayward Perflex Filter Parts Ec40 Filter Ec40 Filter
Above Ground Pool Parts Finder Teddy Bear Pools And Spas
Hayward Pro Grid Filter Parts Diagram
Parts For Hayward Star Clear Plus Filters C900 C1200 C1750 Filter
Pool Pump Troubleshooting Power Parts Diagram Hayward Pool Pump
Hayward Pro Grid Parts De2420 De3620 De4820 De6020 De7220
Hayward Sand Filter Parts Pool Supplies Canada
Find Replacement Parts And Diagrams For Your Sand Filter Or Pool Pump
Parts For Hayward Ec65 Ec75 De Filters Hayward Perflex Filter Parts
Pool Filter Parts Replacement Parts Lists Pool Plaza
Hayward Pool Filter Parts De 4800 Dreambox Zone Info
Pool Valve Diagram Prettier Hayward Vari Flo Valve Parts Diagram
Hayward Sand Filter Parts S210s S220s S244s S310s S360s


0 Response to "Hayward Filter Parts Diagram"
Post a Comment