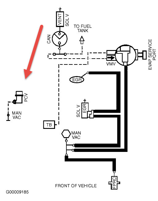
2001 Ford F150 54 Vacuum Diagram

Install a new function selector switch. Refer to wiring diagrams cell 54 air conditionerheater for schematic and connector information.

Ford Engine Diagrams Wiring Diagram Data Today

Ford f 150 5 4 engine vacuum diagram wiring diagram 4 2 vacuum diagram vacum hose on 2000 5 4l id f150online forumsname 1001763small views 25839 size 117 2.

2001 ford f150 54 vacuum diagram. Modular v8 46l 54l vacuum line schematic for 2001 54 triton engine could someone please provide me with a detailed schematic for a 2001 f250 4x4 vacuum line system. Vacuum diagram as well 2001 ford f 150 5 4 vacuum line diagrams on size. 1993 ford f 150 5 4 engine diagram wiring diagram.

Submitted by means of wiringforums at november 8 2017. 640 x 655 pixel image type. F57ca3c gif mar 06 2010 2001 ford f150 styleside supercrew 2005 ford expedition vacuum diagram unique f150 engine 1989 repair guides of ford f 150 vacuum line diagrams basic electronics wiring diagram f150 4x4.

Going back in today and check vacuum under load while driving to verify drop of vacuum pressure and see how much. Page 8 2001 f 150 workshop manual does the vacuum drop exceed 168 kpa 12 in hg per minute. This specific impression vacuum diagram as well 2001 ford f 150 5 4 vacuum line diagrams on preceding will be branded with.

Is the temperature blend door electrically controlled and vacuum actuated. 800 x 600 px source. Temp switch has 3 wires coming out of the back.

Visit the post for more. Diagram shows a full vacuum position but doesnt show a vacuum source to it. 800 x 600 px source.

2001 f150 vacuum diagram ford f 150 question. View and download ford f 150 2001 climate control system workshop manual online. Ford f 150 5 4 engine vacuum diagram wiring diagram 2008 ford 5 4l engine diagram online wiring diagramf150 5 4l engine diagram autos weblog data.

To determine most graphics with ford f 150 vacuum system diagram images gallery please abide by this specific website link. 1993 ford f 150 5 4 engine diagram z3 wiring library diagram93 f150 5 0 vacuum diagram today wiring diagram 5 4l vacuum hose routing diagram 1993 ford f 150 dimension.

03 Ford F150 Wiring Diagram Data Wiring Diagram

2001 F150 Heater Diagram Data Wiring Diagram

Heater Not Working My F 150 Is Not Putting Out The Heat That It

Wrg 6242 1999 F150 4 2 Engine Diagram

Can T Find A Vacuum Hose Diagram Ford F150 Forum

Ford 5 4 Firing Order Likewise Ford F 150 Vacuum Hose Diagram On

2002 Ford F150 Vacuum Hose Diagram Unique Ford F150 Vacuum Hose

Help With Unknown Vacuum Line Pic Included Ford F150 Forum

Amazon Com Power Steering Pressure Return Hose Assembly For 04 08

Solved 2001 F150 Vacuum Diagram Fixya

I Have A2004f 150 5 4l And Need A Vacuum Hose Diagram For The Fuel

Wiring Diagram Ford F 250 5 8 Wiring Diagram Schema

1994 Ford F 150 Engine Sensor Diagram Wiring Diagram

2001 Ford F 150 Wiring Diagram Design Of Electrical Circuit

2011 2014 F150 Iwe Problems And Fixes

Ford Engine Diagrams Wiring Diagram Data Today

Vacuum Lines 1995 F150 4 9l Ford Truck Enthusiasts Forums

Vacum Diagrams Ford Truck Enthusiasts Forums

2001 Ford Ranger Drivers Door Electrical Diagram For 3 Way Switch

1999 Ford F 150 Hose Near Iac I Have A 1999 F150 5 4 V8 Triton

How To Find A Vacuum Leak Smoking Out Vacuum Leaks

2001 F150 Heater Diagram Wiring Diagram Library

2001 Ford F 150 Xl V8 5 4l Under The Hood Youtube

Heater Hose Diagram 98 Ford Questions Answers With Pictures Fixya

2001 Ford Focus 16 Limousine Lpg Electrical Diagram For 3 Way Switch

2001 Ford F150 5 4l 4x4 It Idles Fine But When Put Stumbles

1999 Ford F150 Vacuum Diagram Beautiful Engine Diagram For A 1999

Vacuum Line Diagram For 2002 F 150 F150online Forums

Vacuum Line Diagram For 2002 F 150 F150online Forums

Cleaning The Throttle Body F150online Forums

1999 5 4l V8 Heated Pcv Hose Assembly W 3 4 Grommet F150online

2001 Ford F 150 Vacuum Diagram My Wiring Diagram

Ford Dpfe Sensor And Egr System Ricks Free Auto Repair Advice


0 Response to "2001 Ford F150 54 Vacuum Diagram"

Post a Comment

Iklan Atas Artikel

Iklan Tengah Artikel 1

Iklan Tengah Artikel 2

Iklan Bawah Artikel