2009 Dodge Journey Cooling System Diagram

Answered by a verified dodge mechanic. 2009 dodge journey sxt 35l cooling system diagram bleeder valve locations need to bleed air out of cooling system miscellaneous question.

Trying To Find Location For Ect Sensor On 2009 Dodge Journey Sxt 3 5

Anyone have this pr.

2009 dodge journey cooling system diagram. Journey awd v6 35l 2009 dodge workshop manuals engine cooling and exhaust cooling system radiator cooling fan radiator cooling fan motor component information diagrams diagram information and instructions page 2349. 2009 dodge journey cooling system problems with 12 complaints from journey owners. 2009 dodge journey.

I have a 2009 dodge journey and it is leaking coolan from what i think the mechanic said is the transmission housingengine area. My 2009 dodge journey 35 v6 is leaking coolant from the side of the engine at the housing. How to replace a coolant temperature sensor yourmechanic advice graphic showing a diagram of the engine.

Browse categories answer questions. The worst complaints are coolant reservoir cracked overheating and coolant leak. If you need 2009 dodge journey fuse box diagram and fuse box detailsthen please click the link below and view the diagram.

Looks like a plastic y pipe there. Amazon goparts oe replacement for 20092010 dodge journey amazon goparts oe replacement for 20092010 dodge journey engineradiator cooling fan assembly 35l v6 68038241aa ch3115160 for dodge journey. Hi all my journey appears to be losing coolant from behind the engine from a heater hose possibly.

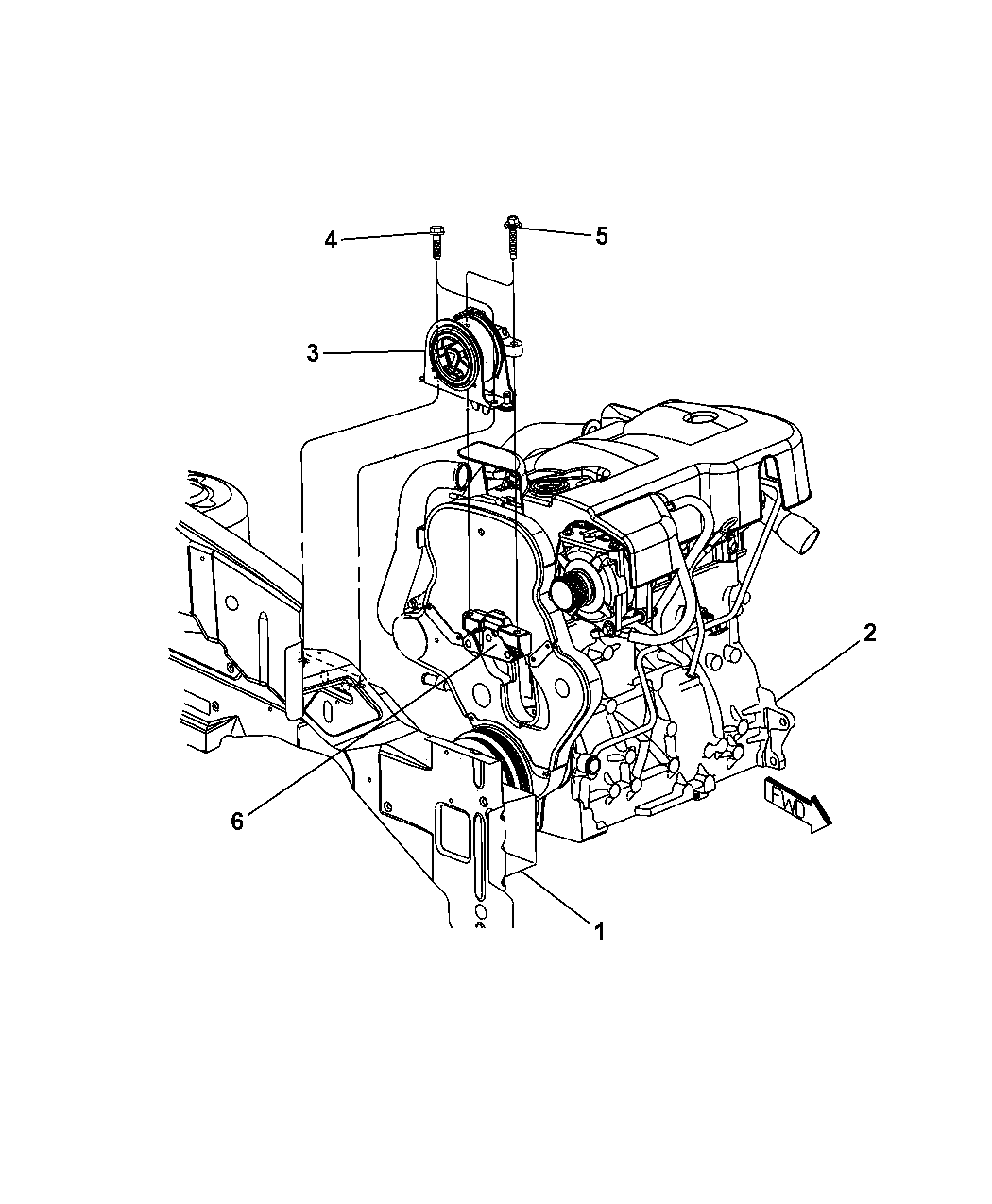
Spectra premium radiator fan assemblies are engineered developed and validated to meet original equipment oe requirements to ensure a durable and quality product. Dodge journey 2009 engine cooling fan by spectra premium. Schematic diagram for coolant system on a 2009 dodge journey dodge 2009 journey question.

Did Something Stupid Need Help Page 3 Dodgeforum Com

Radiator Components For 2009 Dodge Journey Quickparts

2009 2017 Dodge Journey Radiator 1 Row 1 3 8 Inch Inlet 1 3 8 Inch

How To Replace A Coolant Temperature Sensor Yourmechanic Advice

Repair Guides Thermostat Removal Installation Autozone Com

2009 2018 Dodge Journey Lower Hose 5058398ai Liberty Mopar Parts

2009 Dodge Journey Engine Oil Cooler Hoses Tubes

Dodge Journey Engine Diagram Spark Plugs Get Rid Of Wiring Diagram

Solved How Do I Bleed Air From The Radiator And Where Fixya

Parts Com Dodge Journey Radiator Components Oem Parts

Dodge 09 10 Dodge Journey 3 5l V6 Radiator Condenser S Cooling

Dodge Chrysler Oem 09 18 Journey Radiator Upper Hose 5058394ag Ebay

Dodge Chrysler Oem 09 15 Journey Radiator Cooling Fan Module Assy

2009 Dodge Journey Power Transfer Unit Repair Parts

Tear It Up Fix It Repeat 08 Dodge Grand Caravan Antifreeze

Wrg 2562 Dodge Journey Engine Cooling Diagram

How To Replace Coolant Inlet Tube 01 10 Dodge Grand Caravan Youtube

2009 Dodge Journey Rear Axle Assembly Mopar Parts Giant

2009 Dodge Journey Radiator Related Parts Mopar Parts Giant

Dodge Workshop Manuals Journey Awd V6 3 5l 2009 Engine

2010 Dodge Journey Heater Core Flush Youtube

How Do I Check The Radiator Fans And Circuit On 2001 Dodgeforum Com

Thermostat How It Works Symptoms Problems Testing

Hvac Heater Hose Assembly Youtube

2009 2010 Dodge Journey Radiator Inlet Hose Oem 5058393ac 50 54

How To Replace A Coolant Temperature Sensor Yourmechanic Advice

Dodge Caravan Questions Passenger Side Only Blows Heat Cargurus

2009 Dodge Journey Fuse Diagram Wiring Diagram Experts

Repair Guides Thermostat Removal Installation Autozone Com

Dodge Chrysler Oem 09 10 Journey 3 5l V6 Radiator Outlet Hose


6 Responses to "2009 Dodge Journey Cooling System Diagram"

  1. Great blog! I really need this information. you want to sell your old cars but it’s covid-19 don’t worry how to sell the used car during covid-19 we also provide home services if you want to sell your cars contact us freely

    ReplyDelete
  2. This article was full of amazing information I just want this type of knowledge. Good luck with your next post. Thank you so much for this. Hire cars is provide the best services of hire luxurious cars like Lamborghini, Ferrari, sports cars, and much more. we are provided all our services at rent.
    car rentals dubai

    ReplyDelete
  3. The most common reasons a Dodge Journey is overheating are a coolant leak (water pump, radiator, hose etc.). Now its time to avail solar panels for homefor more details.

    ReplyDelete
  4. It is really an interesting article. The way you explain the cooling system through diagram is amazing. I like it very much. Keep sharing is to be expected soon. Now its time to avail Limo service West Palm Beach for more information.

    ReplyDelete
  5. สุดยอดเว็บ Thai PG Slot ไทยอยู่ในคลังข้อมูลของฉัน แต่คุณสามารถตรวจสอบเว็บไซต์หรือแพลตฟอร์มออนไลน์ต่าง ๆ ที่มีการเสนอเกมสล็อต PG SLOT ไทยได้ เพื่อค้นหาและเลือกเล่น

    ReplyDelete

Iklan Atas Artikel

Iklan Tengah Artikel 1

Iklan Tengah Artikel 2

Iklan Bawah Artikel