Kawasaki Ninja 300 Parts Diagram
Kawasaki genuine parts are the only parts on the market specifically engineered and tested to fit your kawasaki vehicle. 2013 kawasaki ninja 300 ex300adf oem parts.
Kawasaki Ninja 300 2015 Fuel Injection Supplied Next Day Uk Only
Kawasaki ninja 300 wiring diagrams motorcycles question.
Kawasaki ninja 300 parts diagram. They undergo comprehensive evaluation to ensure the highest quality and durability standards to help maximize the life of your vehicle and give you peace of mind that your kawasaki is always operating at peak performance. Kawasaki protection plus safety resources racing. Select a new vehicle.
Accessoryengine guard view diagram. Find diagram by part. Simply find the year of the parts you need and then locate your model.
Save on oem parts accessories and apparel. Revzilla is proud to carry every original part available for your 2014 kawasaki ninja 300 accessory single seat cover assembly. Genuine parts give 2014 kawasaki ninja 300 abs ex300bes owners the ability to repair or restore a broken down or damaged machine back to the condition it first appeared in on the showroom floor.
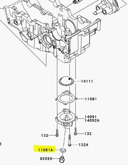
Gaskets o rings oil seals grease seals circlips cotter pins or self locking nuts must be replaced with new ones whenever disassembled. Starting at 4999 msrp. Kawasaki genuine parts find parts diagrams for any kawasaki motorcycle atv mule teryx or jet ski.
Navigate your 2013 kawasaki ninja 300 ex300bdf schematics below to shop oem parts by detailed schematic diagrams offered for every assembly on your machine. Simply reference the oem parts diagram to confirm the exact part numbers you need. 2013 kawasaki ninja 300 ex300adf original equipment manufacturer parts at babbitts kawasaki partshouse.
Hi dwayne the vast majority of service parts and owners manuals on the internet are free to download and all service manuals contain wiring diagrams in the back pages. Replacement parts replacement parts must be kawasaki genuine or recommended by kawasaki. 2016 ninja 300 parts diagrams.
Kx250f Parts Diagram Luxury 1986 Kawasaki Ninja Zx1000 Wiring
Footrests Replacement Parts For 2017 Kawasaki Ninja 300
Ninja Engine Diagram Ninja Spare Parts Engine Diagram At Kawasaki
Kawasaki Bayou Diagram Wiring Diagram Home
Kawasaki Ninja 300 Abs Ex300a Ex300b Workshop Service Manual Down
Fuel Tank Ex300bhfa Ninja 300 Abs 2017 300 Motos Kawasaki Motorcycle
Ninja 300 Wiring Diagram Name Views Size 1987 Kawasaki Bayou 300
Kawasaki Ex300bdf Ninja 300 2013 Usa Abs Parts Lists And Schematics
2017 Kawasaki Ninja 300 Abs Ex300bhf Chassis Electrical
Kawasaki Ninja 300 Abs 2015 Dissassembly Sheet Purchase Genuine
Leovince Gp Corsa Slip On Exhaust Kawasaki Ninja 300 2013 2017
2014 Ninja 300 Engine Diagram Wiring Diagram Official
Kawasaki Parts House Oem Parts Diagrams Accessories
Kawasaki Ninja 300 2017 Owners Manual Boonstra Parts
Switch Reflectors Ex300bhfb Ninja 300 Abs 2017 300 Motos Kawasaki
Other Motorcycle Parts Motorcycle Parts Motorcycle Throttle
Ninja 300 Wiring Diagram Wiring Diagram
Motosp Kawasaki Ninja 300 Abs Se 2015 Body Parts Replacement
Detail Feedback Questions About For Kawasaki Z750 Z800 Ninja 300 250
2014 Kawasaki Ninja 300 Ex300aefa Oem Parts Babbitts Online
Ninja 300 Wiring Diagram Wiring Diagram
Amazon Com Kawasaki Oem Replacement Oil Drain Crush Washer 11061
2014 Ninja 300 Engine Diagram Wiring Diagram Official
2017 Ninja 300 Abs Ninja Motorcycle By Kawasaki
Ninja 300 Engine Diagram Wiring Diagrams


0 Response to "Kawasaki Ninja 300 Parts Diagram"
Post a Comment