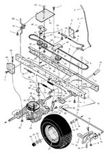
Murray Riding Mower Belt Diagram

Any help would be so gratefully appreciated i am tired of listening to him cussrolleyes. Murray lawn mower 42 deck belt diagram awesome 40 riding lawnmower of murray lawn mower belt diagram 46 inch elegant mtd riding drive new wiring murray mower belt diagrams inspirational x82a parts list and diagram 2000 ereplacementparts of need a drive belt diagram for murray lawn mower model 465306x8 please find attached drawing of the routing 37x89ma primary deck murray mower belt diagrams.

Murray Riding Mower Deck Parts Mower Deck Lawn Mower Deck Parts

Chevy 350 small block in murray lawn mower.

Murray riding mower belt diagram. This 350 small block chevy in a lawn more is nuts. Find your murray model number. Make your riding mower quieter for less.

Why put a v8 on a lawn mower. Insane chevy 350 small block in murray riding lawn mower. This is the belt that connected to the transmission pulley to transfer drive motion.

All this site does is send you to another site. Murray 38 40 42 deck. I have a murray riding mower 425303x92 that i need to install a new motion belt size 37x112 on.

Get diagram of how to install your murray lawnmower belt. Group title image description. How in the heck do you get an answer to the question.

If you know the model number of your murray product enter it in the search window below to locate operators manuals illustrated parts lists and wiring diagrams. 91926 for blades with round center hole on riding mower lawn tractor 1990 to present use with oregon 82 243 oregon 82 023 oregon 82 250 spindles. The husband didnt notice the belt layout when he removed it and now we need a diagram.

Deck belt for murray 38 cut lt tractors 12 x 84 1116 murray 037x86ma 710193. This model has a dual tension pulley on the right hand side. Skip navigation sign in.

Replacing belts on 1993 murray rider mower part 1. I need a belt diagram for a 125 horsepower 40 inch cut murray riding mower answered. Model numbers on murray riding lawn mowers are found on the back of the mower or under the seat.

Part 1 replacing the belts on a 1993 murray model 40702x92e rider mower. It is an oem part that is specially made for use with murray riding lawn mowers and garden tractors. View the answer i have this problem too subscribed to new answers.

Check your belts periodically and replace them when worn stretched or damaged to ensure the proper performance. Listen to this thing. This is so dumb.

What is the belt diagram for a 42 inch murray riding mower. Updated 01152012 find out what causes riding lawnmower belts to break or fly off the pulleys.

Murray 42 Inch Riding Mower Drive Belt Diagram Beautiful 53

Murray Lawn Mower Deck Murray Riding Mower Deck Belt Neowestern Com

Solved Changing Riding Lawnmower Belt On A Murray Mower Fixya

Murray Lawn Mower Belt Diagram 46 Inch Geoaesthetics Org

Murray Mower Deck Breated Info

Murray Lawn Mower Belt Diagram 46 Inch Geoaesthetics Org

Murray Riding Lawn Mower Parts Diagram Drive Belt Diagram Riding

Top Sale How To Put A Belt On A Murray Riding Lawn Mower Diagram

Murray 38 Riding Mower Cartierbracelets

Murray 46 Lawn Tractor 46501x92a Ereplacementparts Com

Murray 42 Inch Riding Mower Drive Belt Diagram Drive Belt Diagram

Murray Lawn Mower Belt Diagram Google Search Auto Murray Lawn

Murray Riding Lawn Mowers Troubleshooting Picture Of Recalled Riding

Murray 42 Inch Riding Mower Drive Belt Diagram Inch Riding Mower

Solved Need Diagram To Install Belt On Murray Riding Mower Murray

Riding Lawn Mower Belts Ohsoplush

Murray Model 30550h Lawn Riding Mower Rear Engine Genuine Parts

Murray 42 Inch Riding Mower Drive Belt Diagram Luxury 53 Impressive

Murray 42 Deck Belt Sahealthwellness Info

Murray Riding Lawn Mowers Troubleshooting Picture Of Recalled Riding

Murray Lawn Mower Belt Diagram 46 Inch Mtd 46 Inch Deck Belt Diagram

Inch Riding Mower Lawn Deck Belt Diagram Grass Catcher Murray 42

Murray 40 Lawn Tractor 405002x8a Ereplacementparts Com

Murray Model 8 36568 Lawn Tractor Genuine Parts

Murray Riding Lawn Mower Parts Diagram Drive Belt Diagram Riding

Murray Lawn Mower Belt Diagram 46 Inch Beautiful Craftsman Riding

Drive Belt Diagram Murray Riding Mower Lovely Amazon Murray 42 Lawn


0 Response to "Murray Riding Mower Belt Diagram"

Post a Comment

Iklan Atas Artikel

Iklan Tengah Artikel 1

Iklan Tengah Artikel 2

Iklan Bawah Artikel