Stihl Ht 131 Parts Diagram

Ht 131 pole pruner. Look at the diagram and find parts that fit a stihl ht 131 pole pruner or refer to the list below.

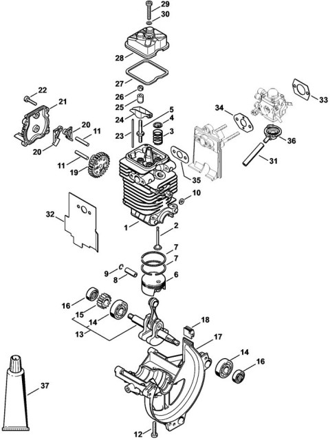
Stihl Ht 131 Pole Pruner Ht131 Parts Diagram

Air filter stihl bg 50 original 19mm carburetor carby air filter air filter stihl bg 50 air filter manifold assembly for stihl br500 blower.

Stihl ht 131 parts diagram. You cant post conmments that contain an email address. Ht 100 ht 101 ht 130 ht 131 english 2 pictograms the meanings of the pictograms attached to or embossed on the machine are explained in this manual. All parts that fit a ht 131 pole pruner.

Stihl pole saw parts diagram happy living stihl kombi pole saw diagram wiring diagrams. Depending on the model concerned the following pictograms may be on your machine. This specific impression stihl ht 131 z pole pruner ht131z parts diagram oil tank within stihl pole saw parts diagram previously mentioned is usually classed using.

14 brilliant stihl br 600 blower parts diagram iaeiflorg stihl br 600 blower parts diagram lovely br550 carburetor ay for st br500 br600 leaf blower. Parts diagram stihl pole saw ht 131 garden. Open 7 days a week.

Stihl ht 131 pole pruner ht131 parts diagram. Stihl ht 131 pole pruner ht131 parts diagram gear head. Atco royale 20ic f016310442 spares atco royale 20ic f016310442 7.

Complete exploded views of all the major manufacturers. All parts that fit a ht 131 pole pruner. Ht 131 pole pruner.

Stihl pole saw parts pole saw parts echo cs parts diagram free forms. 90px044g 44 drive link low profile narrow kerf professional chainsaw chain 1740 echo brand bars 1740 90px044g 44 drive link low profile narrow kerf professional chainsaw chain 1740 echo brand bars 1807 91pxl044g controlcut saw chain 1807 echo brand bars 1044. Stihl pole pruner model ht 131 ht131 parts shop online or call 800 269 2609.

Stihl ht 131 pole pruner ht131 parts diagram drive tube assembly ht131. Select a page from the stihl ht 131 pole pruner diagram to view the parts list and exploded view diagram. Symbols in text many operating and safety instructions are supported by illustrations.

It is easy and free. Stihl ht 100 pole saw parts diagram stihl ht 131 pole saw parts list stihl ht131 pole saw parts diagram. Back mounted support system.

Stihl ht 131 pole pruner ht131 parts diagram. 365 day return policy. Please use the phone and get a name of the person providing service.

Placed simply by carpny team with january 12 2017. If you have questions or need assistance with any of our services please do not hesitate to call our customer service team at 1 800 475 5660. 14 140sxea074 bar 14in pro am 91 series exploded view parts lookup by model.

Stihl Pole Saw Parts Diagram Cute Chain Saw Parts List Stihl Ms180

Stihl Pole Saw Parts Diagram Parts List Manual User Manual Guide Co

Stihl Ht 131 Pole Pruner Ht131 Parts Diagram

Stihl Pole Saw Parts Pole Saws Manual Pole Saw Wen Electric Pole Saw

Marvellous Stihl Fs 44 Parts Diagram Contemporary Image Glamorous 55

Ht Wiring Diagram Auto Electrical Wiring Diagram

Stihl Ht101 Pole Saw Parts Diagram Pretty Ht 101 Frankmarks Me

Echo Power Pruner Telescoping Shaft Ppt 230 Ereplacementparts Com

Stihl Ht 131 Pole Saw Parts Diagram Drivenheisenberg

Stihl Drive Shaft Questions Answers With Pictures Fixya

Stihl Ht132 Ht133 Pole Pruner Parts Stihl Petrol Pole Pruner Ht

Stihl Ht 131 Pole Saw Parts Diagram Good Stihl Ht 131 Parts Diagram

Stihl Spare Parts Manual Jidimotor Co

Stihl Spare Parts Australia Newmotorjdi Co

Stihl Ht 131 Pole Pruner Ht131 Parts Diagram Oil Tank

Stihl Pole Saw Parts Diagram Parts List Manual User Manual Guide Co

Stihl Pole Saw Parts Diagram Cute Chain Saw Parts List Stihl Ms180

October 2018 Garagedoorrust Ga

Stihl Ht 131 Telescopic Drive Tube

Stihl Ht 131 Parts Diagram Festival Collections

Rocker Arm Stihl Ht101 Pole Pruner Parts

Stihl Ht 131 Pole Saw Parts Diagram Festival Collections

Pole Saw Stihl Image For Item Pole Saw Stihl Pole Saw Attachment

Stihl Fs 38 Spare Parts List Newmotorjdi Co

Stihl Pole Saw Pole Saw Attachment Pole Pruner Attachment For Sale

Free Diagram For Student Stihl Ms 311 Parts Diagram

Stihl Ht 131 Parts Diagram Festival Collections


0 Response to "Stihl Ht 131 Parts Diagram"

Post a Comment

Iklan Atas Artikel

Iklan Tengah Artikel 1

Iklan Tengah Artikel 2

Iklan Bawah Artikel