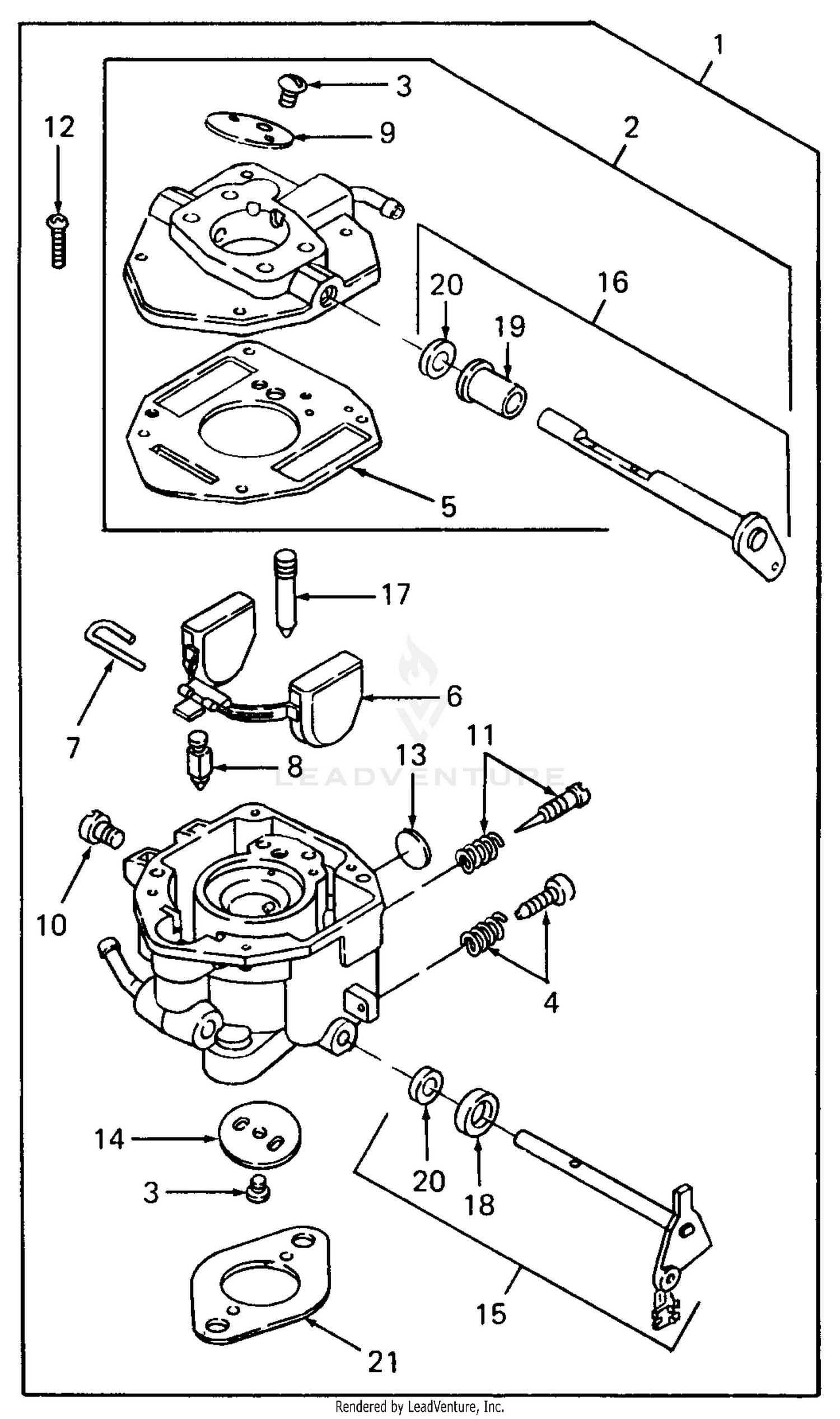
Cub Cadet Carburetor Diagram

Our how to videos give you. Lawn garden tractor parts.

Carb Air Mixture Screw Question Farmall Cub

Cub cadet lawn tractors deliver the performance you need to keep your lawn looking beautiful year round.

Cub cadet carburetor diagram. Cub cadet carburetor repair. Cub cadet carburetors and parts 4 cycle. Carburetor for cub cadet lt1045 lt1042 ltx rider 19hp kohler courage engine.

We can supply replacement carburetors and carburetor parts for your briggs and stratton nikki or tecumseh carburetor as well as many other manufacturers. Cub cadet carburetor parts. We have them and at prices that will keep you pleased.

We have the cub cadet carburetors and parts 4 cycle carburetors you need with fast shipping and low prices. Whether your need to mow an acre or several your cub cadet tractor provides you exceeding strength and durability while still keeping comfort and command top priorities. Cub cadet dead on arrival brought back to life duration.

Kohler carburetor adjustment contestproco kohler carburetor adjustment new uretor for cast iron hp k series engines 7 cast iron engine. Buy it now 566 shipping. Whether you need a cub cadet carburetor repair kit or carburetor rebuild kit we have them and even offer same day shipping.

Lawn garden tractor. Cub cadet carb graphic amazon new carburetor for mtd cub cadet cub cadet carb cub cadet 382 cub cadet lawn tractor gear carburetor diagram and parts list cub cadet carb. Pre owned cub cadet carburetor.

Brand new unbranded carburetor. If its replacement small engine carburetors and carburetor parts for a 4 cycle small engine you need jacks has them. Below weve added a selection of product manuals for some of the most popular cub cadet mowers tractors zero turns and snow blowers.

Easy ordering fast shipping and great service. Category autos vehicles. Save up to 8 when you buy more.

Show more show less. Cub cadet equipment is award winning. The list goes on and on but a few of our favorites are the ces innovation award consumers digest best buy distinctions and popular mechanics breakthrough award.

Easy ordering fast shipping and great service. 34 theres no need to search the internet for quality cub cadet carburetor replacement parts. Cub cadet cc500 carburetor 951 10873 f8mb9j see more like this.

Cub cadet carburetors and parts 4 cycle carburetors.

Carburetor For Mtd Troy Bilt Bolens Cub Cadet Snowblower 951 12374

Genuine Cub Cadet Factory Parts Ltx 1040 Drive Belt Slipping

Cub Cadet Sc500hw 12aqd22j710 Cub Cadet 21 Self Propelled Walk

Cub Cadet 1811 1812 S N 756 300 799 999 Carburetor Diagram And

Cub Cadet Carb Diagram Schematic Diagram Data

Solved Throttle Linkage Diagram 16 Hp Briggs Stratton Fixya

Tank 50cc Wiring Diagram Wiring Diagram Best Motorcycle Carburetor

Cub Cadet 1440 S N 821 060 880 000 142 633 100 143 633 100 144 633

Cub Cadet Zero Turn Lawn Mowers Cub Cadet Rzt Mowers

Cub Cadet Cadet 60 Riding Mower Built 1967 1971 0340002u Carburetor

Cub Cadet Carburetor Rebuild Kit 951 14758

Amazon Com Huri Carburetor With Adjustment Tool Kit Screwdriver

Cub Cadet Lt1045 Wiring Diagram Cub Cadet 1330 Wiring Diagram Cub

Snow King Snowblower Parts Diagram Need Help Finding Small Engine

1440 Cub Cadet Engine Diagram Wiring Diagram And Electrical Schematic

Mower Deck Belt Hape

Cub Cadet 2165 Wiring Diagram Wiring Diagram

Cub Cadet Tractor 2135 Ereplacementparts Com

Cub Cadet Lt1000 Slt1500 Gt1500 Rzt Z Force 44 46 48

Mtd 31bm63lf704 2012 Parts Diagram For 370 Suc Carburetor

Src 621 Cub Cadet Handle Bracket Assembly Review Bodybag

Ih Cub Cadet Forum Command 18 Swap Into A 782 Wiring

Mtd Cc98h 12a 98fq 2010 12a 98fq710 2010 Parts Diagram For

Cub Cadet Zero Turn Lawn Mowers Cub Cadet Rzt Mowers

Cub Cadet Carburetor 27cc 753 06356 Cubcadetpartsdistributor

Cub Cadet Cs 5018 Chain Saw 59am658 050 59am658 150 59am658 750

Lawn Mower Parts Small Engine Parts Much More Partstree Com

Cub Cadet Parts Diagrams Cub Cadet 1215 S N 114 001 126 000

Cub Cadet Hydro 1110 Wiring Diagram 2185 Pto Custom

Starter Cub Cadet Lt Ltle Lawn Tractor Hp Kohler Courage 25 Oil

Solved Cub Cadet 2166 Backfires When It Gets Hot Fixya

Yard Machine Carburetor Genuine Part Genuine Parts Carburetor Part

Rzt Cub Cadet Wiring Diagram Shelectrik Com


0 Response to "Cub Cadet Carburetor Diagram"

Post a Comment

Iklan Atas Artikel

Iklan Tengah Artikel 1

Iklan Tengah Artikel 2

Iklan Bawah Artikel