Ac Motor Speed Controller Circuit Diagram

Varying speed of ac motor by means of changing firing angle of any thyristor is very widely used method. The setting of p1 determines the phase of the trigger pulse that fires the triac.

Motor Speed Control Circuits Motor Control Projects

Then check out this outstanding single chip pwm motor speed controller circuit that will give you a complete 360 degrees of continuously varying motor speed control right from zero to maximum.

Ac motor speed controller circuit diagram. The setting of p1 determines the phase of the trigger pulse that fires the triac. Are you fed up with ordinary pwm circuits which do not provide perfect dc motor speed control especially at lower speeds. This ac motor speed controller can handle most universal type brushed ac motors and other loads up to about 250w.

The speed of the motor can be controlled by changing the setting of p1 potentiometer. Pwm motor speed control circuit diagram. The device is designed to adjust the speed of an electric motor running on alternating current.

By varying r2 duty cycle can be varied from 0 to 100. By chopping part of the ac waveform. In the engine speed controller any transistors with an operating current of at least 250 ma and a.

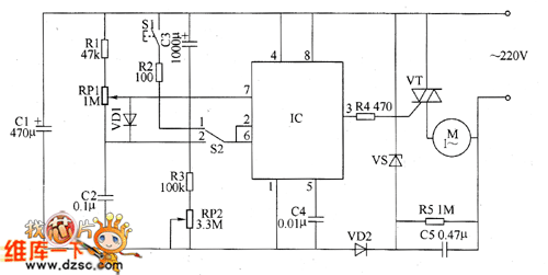
This triac based 220v ac motor speed controller circuit is designed for controlling the speed of small household motors like drill machines. Ac motor control circuits ac electric circuits. The speed is controlled through an externally applied varying dc voltage source.

After the motor has had time to speed up another set of starter contacts bypass line power around the resistors directly to the motor windings. How to make single phase motor speed control circuit. Interpret this ac motor control circuit diagram explaining the meaning of each symbol.

Ac motor speed control given by changing firing angle of triac with the help of micro controller 89c2051. This circuit consist a bar graph display and a current limiting resistor r 7this is used to indicate the condition of motor as well as speed of motor. Indication circuit ac motor speed controller circuit using at89c51.

For identifying pins of sl 100 the pin that is connected to casing is collectorthe pin near to notch is emitter and the one remaining is base. 1000w ac motor speed controller this triac based ac motor speed controller circuit is designed for controlling the speed of ac motors like drill machines fans vacuums etc. A project on single phase ac motor speed controller.

It works in much the same was a light dimmer circuit. Ac motor speed control circuit. The speed of the motor can be controlled by changing the setting of p1.

Pwm motor speed control circuit diagram with parts list. The indicating circuit is shown in figure 3.

Speed Control For Power Tools Having A Dc Motor Patent 0076039

Motor Electronic Speed Controller Circuit Diagram 4

Three Phase Induction Motor Protection Systems And Its Applications

Circuit Zone Com Electronic Projects Electronic Schematics Diy

Wound Rotor Motor Wikipedia

Flip Flop Circuit Http Wwwseekiccom Circuitdiagram Signal Wiring

Speed Control Motor Systems Overview

Ac Electric Motor Diagram Capacitor Dc Motor Speed Controller

Dc Motor Sd Control Circuit Diagram Dc Circuit Diagrams My Wiring

1000w Ac Motor Speed Controller

Triac Motor Control Circuit Control Circuit Circuit Diagram

3 Phase Motor Diagram Wiring Diagram Gp

Motor Control Circuit Diagram Motor Speed Control Vfd Motor Control

Ceiling Fan Regulator Motor Speed Control Circuit Diagram Electro

Ac Motor Speed Controller Circuit

110v Ac Motor Speed Control Circuit Diagram Wiring Fresh Best Images

3 Phase Ac Motor Speed Controller Circuit Diagram New Index 209

Ceiling Fan Speed Control Smartphone Quickguide Me

Bldc Motor Controller Diy Crafts Brushless Schematic Electronic

Ac Motor Speed Controller Circuit Using At89c51

How To Build A High Torque Dc Motor Speed Controller Circuit

Development Of Light Control And Motor Speed Control By Smart Phone

10 Level Ac Motor Speed And On Off Controller Circuit For Modern

Ac Motor Control Circuits Ac Electric Circuits Worksheets

2113 Motor Speed Control For 3 Phase Induction Motors Dr

Ac Motor Schematic Wiring Diagram Official

Ac Motor Speed Controller Using U2008b Electronics Lab


0 Response to "Ac Motor Speed Controller Circuit Diagram"

Post a Comment

Iklan Atas Artikel

Iklan Tengah Artikel 1

Iklan Tengah Artikel 2

Iklan Bawah Artikel