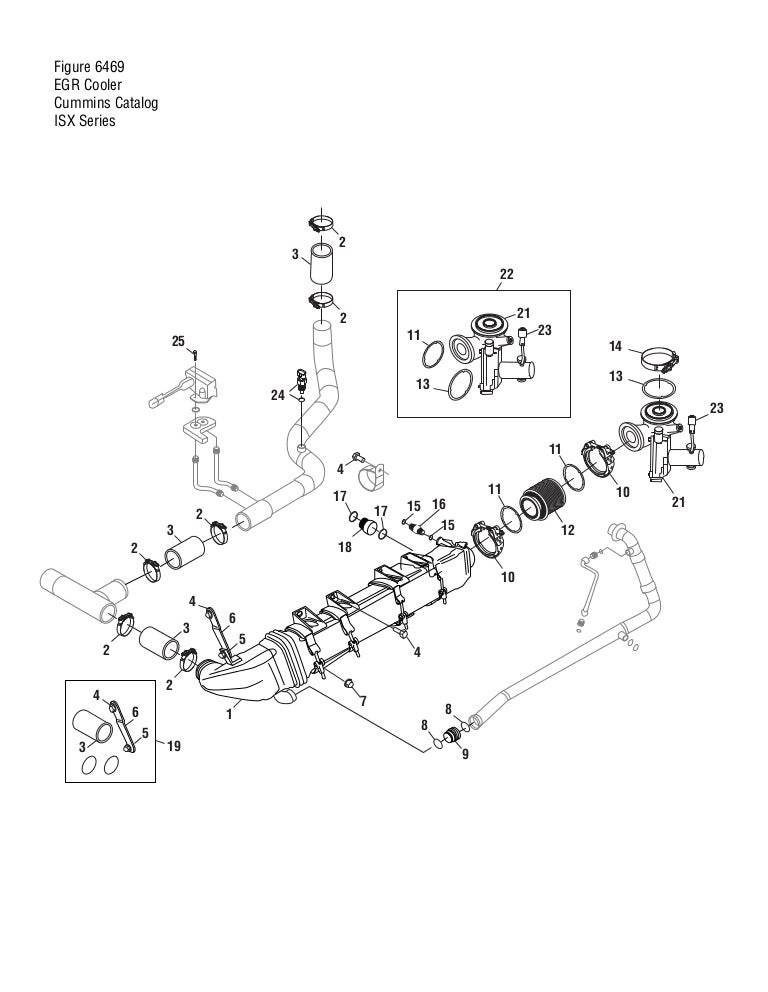
Cummins Isx Egr Cooler Diagram
We stock thousands of new heavy truck complete radiators charge air coolers condenser ac components and radiator cores. At 257k turbo bad due to actuater.
I Have A 2007 Int 9900ix With A Cummins Isx 475 500 Gettieng High
This vent prevents air from being trapped in the cooler during coolant filling and engine operation by continuously.
Cummins isx egr cooler diagram. Cummins isx egr cooler 3689051. So how do you diagnose a bad egr cooler. The following illustrations contain information about engine components filter locations drain points and access locations for instrumentation and engine controls.
Where is the egr valve on cummins isx engine. This method is easy to do and is a good test if you have any of the three symptoms above. Buy your cummins isx oil cooler here.
Pete dealer cleaned dpf due to smoke bypassing 230k. Cummins isx egr cooler 2878071 h2551005 make in germany see more like this. I made a quick video of how to check if egr cooler is bad.
Need cummins isx egr cooler parts. Answered by a verified technician. Manufactured specifically for cummins diesel engines this egr cooler is quality engineered to cool exhaust gas and recirculate it back to the engine.
The egr cooler should be replaced in this instance because its already been overheated and stressed and very likely to fail in the near future. We carry a large selection of genuine and aftermarket cummins isx engine parts. This one was by far the worst ive seen 1 gallon in about 2 days.
Dont let it get this far. Exhaust gas recirculation dpf. Cummins isx egr cooler delete cummins isx egr valve cummins isx egr cooler 2016.
Cummins isx egr. Radiator works is among the most respected names of aftermarket heavy truck heat transfer in the trucking industry. This customer drove it for 4 months losing.
Isx cummins 2008 pete 386 egr cooler replaced due to coolant trace in oil. Guaranteed by mon jun. To do this test turn off your rig.
Replacement prevents coolant from leaking into the exhaust manifold and may protect the engine from extensive damage. We help you find the heavy duty truck parts that you need. The egr cooler has a coolant vent 3 near the exhaust inlet of the egr cooler.
Selected category parts accessories. Check out 82 cummins isx egr cooler parts for sale.
4309434rx 4956008nx 2881783 Cummins Isx Egr Cooler
Where Is The Egr Valve On Cummins Isx Engine
Cummins Isl G Engine Electronic Management System Components Bustekhub
Egr Cooler Cummins Isx Replacement Egr Cooler
Cummins Isx Egr Manual System Cummins Isx Model 379 Diagram
Egr Cooler O Ring Turbo Diesel Register
Cummins Signature Isx 435st Tech Service Repair Manual Cm870
Cummins Egr Coolers Tamerx Com
4089380nx 3102803 4089380 Cummins Ism Egr Cooler
Cummins Egr Exhaust Gas Temp Sensor 6 7l Diesel 2872858
2010 Maxxforce 11 13 Diesel Engine Troubleshooting Diagnostic03
Cummins Isx Gen 3 Egr Cooler Bmpl4352360
Stay Ahead Of Trouble On Egr Engines Aftermarket Trucking Info
Egr Cooler Replacement Semi Truck Cummins Isx English Youtube
Every Proof Durability High Mileage Isx Teardown Pdf
Cummins Egr Cooler Radiator Center Radiators For Sale In Houston




0 Response to "Cummins Isx Egr Cooler Diagram"
Post a Comment