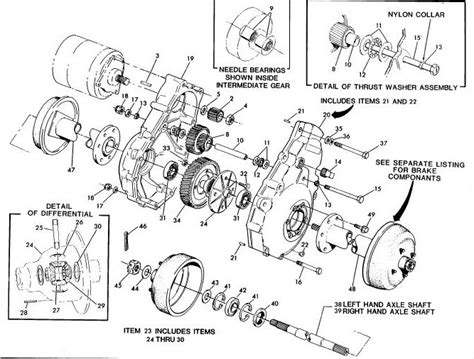
Ezgo Rear Axle Exploded Diagram

Rear axles parts. Here is a wonderful image for ezgo rxv rear end diagramwe have been looking for this image via on line and it came from trustworthy resource.

Ezgo Golf Cart Gas Wiring Diagram Golf Cart Golf Cart Customs

Rear axle for 19945 up ezgo electric passenger side or 1983 1988 2 cycle gas driver side 0 reviews sale.

Ezgo rear axle exploded diagram. Home parts mechanical and body parts mechanical and body ezgo ezgo rear axles and parts rear axle passenger short ez rxv ele. Ez go rear axle diagram data wiring diagram ez go golf cart differential oil golf cart golf cart hd images ez go rear axle diagram ez go rear axle diagram. Ezgo rxv rear end diagram may 18 2019 thank you for visiting here.

Passenger e z go gas 2 cycle rear axle fits 1989 1993 0 reviews clearance. Ezgo rear axle exploded diagramrhbuggiesgonewild. Here your find differential parts for e z go electric golf cars transaxle parts for e z go gasoline golf cars such as ezgo input shafts electric e z go motor couplers oil filler plugs spline bumpers input shaft bearings freeze plugs transaxle differential gaskets orings sets seals.

Ezgo rear end diagram marathon medalist txt electric ezgo. Replacing axle rear axle bearing axle oil seal duration. How to install a premium 4 inch e z go txt lift kit part 74786g02.

Ez go electric golf cart rear axle diagram golf cart batteries north myrtle beach gas golf cart limo craigslist golf carts port aransas used jeep golf cart for sale golf cart truck body street legal golf cart craigslist golf cart rental sandestin golf cart gas for sale golf cart batteries dallas golf cart body kit manufacturers. Ezgo rear differential retaining rings seals and plugs ezgo 1991up electric input shaft 21 tooth. Tranmission parts diagrams gas ezgo golf cart club car golf cart parts diagram ezgo golf cart rear end parts diagrams ez go golf cart front end parts diagram ez go golf cart parts diagram shafer rear axle parts diagrams yamaha golf cart rear end parts diagram 2000 ezgo gas golf cart parts diagrams rear axle diagram.

Ezgo axle reassembly help kris morgan. Replacement parts for ezgo gas electric golf carts replacement parts for ezgo click to shop. Rear differential fill plug for ezgo ge.

Ezgo Golf Cart Rear Axle Diagram Wiring Diagram

Ezgo Rear End Diagram Wiring Diagram

Ezgo Golf Cart Rear End Parts Diagram Online Wiring Diagram

Ezgo Electric Golf Cart Differential Diagram Online Wiring Diagram

Wrg 7297 Axle Schematic

2000 Ezgo Txt Wiring Diagram Wiring Diagram Gol

How To Remove An E Z Go Txt Front And Rear Axle Youtube

229 Best Golf Carts Ideas Images Custom Golf Carts Electric

Ezgo Golf Cart Rear Axle Diagram Wiring Diagram Read

Ezgo Wiring Harness Everything Wiring Diagram

Flat Bed Cart Ez Go Wiring Diagram Diagram Data Schema Exp

Ez Go Drivetrain Diagram Wiring Diagram Mega

Ez Go Diagram Wiring Wiring Diagram Gol

Ezgo Golf Cart Rear Axle Diagram Wiring Diagram

Ezgo Rear End Diagram Wiring Diagram

Yamaha Golf Cart Rear End Diagram 50 Beautiful Ez Go Golf Cart

Wrg 7159 Axle Schematic

Electric Golf Cart Rear Axle Golf Cart Golf Cart Hd Images

Back Axle Diagram Wiring Diagram

Diagram Rear Ezgo Axle Marathon Exploded

Ez Go Lift Kit Wheel Combo Packages

Rear Axle And Suspension Ezgo Golf Cart

Ezgo Rear Differential Retaining Rings Seals And Plugs

Ez Bed Wiring Diagram Wiring Diagram

2002 Ez Go Txt Wiring Diagram Wiring Diagram

Club Car Differential Diagram Wiring Diagram


0 Response to "Ezgo Rear Axle Exploded Diagram"

Post a Comment

Iklan Atas Artikel

Iklan Tengah Artikel 1

Iklan Tengah Artikel 2

Iklan Bawah Artikel