1993 Honda Civic Fuse Box Diagram

Honda civic del sol. Fuse box diagrams a blown fuse can be a pain to find without the proper diagram.

Toyota Fuse Box Diagram 2000 Mr2 Wiring Diagrams Mon

Electrical components such as your map light radio heated seats high beams power windows all have fuses and if they suddenly stop working chances are you have a fuse that has blown out.

1993 honda civic fuse box diagram. 1993 honda del sol fuse box diagram welcome to my internet site this post will review regarding 1993 honda del sol fuse box diagram. A diagram of the fuses can be found on the inside of the fuse box cover. Identifying and legend fuse box honda civic 1991 1995.

Honda civic del sol. Honda civic si 1992 fuse boxblock circuit breaker diagram honda goldwing 2003 main engine fuse boxblock circuit breaker diagram honda accord lx 1990 under hood fuse boxblock circuit breaker diagram honda crv 22 2002 fuse boxblock circuit breaker diagram. 1993 honda civic under dash fuse box diagram.

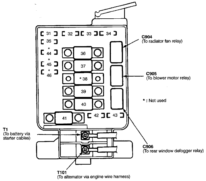
The fuse box on your 1993 honda civic is located in the engine compartment. I am looking for a fuse diagram for a 1993 honda civic lx 4 dr sdn. Moonroof wire harness option connector power window relay dashboard wire harness turn signal ignition switch integrated control unit main wire harness.

You find fuse box diagram and description for honda civic 2008 honda civic 2008 fuse box diagram auto genius. We have gathered numerous photos hopefully this picture works for you and assist you in locating the answer you are trying to find. I need a fuse panel diagram for a 1993 honda civic lx honda 1993 civic 4 door question.

Fuses are placed in between the battery and every. This article applies to the honda civic del sol 1993 1997. Fuse panel layout diagram parts.

The video above shows how to replace blown fuses in the interior fuse box of your 1993 honda civic in addition to the fuse panel diagram location. Posted by jimlockett77 on jul 26 2010. Thank you j sotak answered by a verified mechanic for honda.

1993 honda civic under dash fuse box map. We have gathered several photos hopefully this photo serves for you and also assist you in finding the response you are seeking. Honda civic si 1993 main engine fuse panelboard fuse symbol map related diagrams.

Locate fuse and relay. I need a fuse panel diagram for a 1993 honda civic lx. Honda civic 1993 fuse box diagram thanks for visiting my website this post will certainly go over regarding honda civic 1993 fuse box diagram.

1999 Honda Civic Fuse Box Under Hood Manual Of Wiring Diagram

1996 Civic Dx Fuse Box Diagram Wiring Diagram

93 Civic Si Fuse Box Diagram Wiring Diagram Pmz

Fuse Box 92 Honda Accord Wiring Diagrams Mon

00 Civic Under Dash Fuse Box Wiring Diagram

65 Unique Pics Of 1992 Honda Civic Fuse Box Diagram Flow Block Diagram

1993 Honda Del Sol Fuse Box Wiring Diagram

1987 Honda Civic Wiring Diagram Diagram Data Schema Exp

2005 Civic Fuse Box Diagram Wiring Diagrams Meta

Civic Eg Wiring Diagram Wiring Diagram

93 Honda Engine Diagram Wiring Diagram Pmz

93 Accord Fuse Box Wiring Diagram

1993 Camaro Fuse Box Diagram Wiring Diagrams Meta

Chevy Fuse Panel Diagram Wiring Diagram

Fuse Box Diagram 1993 Honda Civic Wiring Diagram Schematics

Fuse Box In Honda Civic Wiring Schematic Diagram 73 Pandoracharms Co

Civic Fuse Diagram For 2000 Wiring Diagram Pmz

93 Civic Fuse Box Wiring Diagram

Honda Del Sol Fuse Diagram Wiring Diagram Schema

2007 Civic Fuse Diagram Wiring Diagram

2000 Honda Civic Fuse Diagram Under Dash Everything Wiring Diagram

1993 Honda Del Sol Fuse Box Wiring Diagram

93 Honda Civic Fuse Box Diagram Pleasant 1989 Honda Civic Lx Fuse

65 Unique Pics Of 1992 Honda Civic Fuse Box Diagram Flow Block Diagram

92 95 Interior Fuse Box Map Hondacivicforum Com

93 Honda Civic Fuse Box Diagram Wiring Diagram

Radio Wiring Diagram 93 Honda Accord Stereo Wiring Color Code 2016

95 Honda Fuse Box Diagram Wiring Diagrams Mon

92 Honda Accord Fuse Box Wiring Library

1992 Honda Accord Fuse Box Diagram Diagram Data Schema

Acura Nsx Fuse Box Diagram Wiring Diagram

1995 Honda Civic Fuse Diagram Prettier Honda Prelude 1995 Interior

Fuse Box Diagram 1993 Honda Civic Wiring Diagram Schematics


0 Response to "1993 Honda Civic Fuse Box Diagram"

Post a Comment

Iklan Atas Artikel

Iklan Tengah Artikel 1

Iklan Tengah Artikel 2

Iklan Bawah Artikel