Electronic Mouse Killer Circuit Diagram
Lets see the concept of mosquito repellent circuit in detail. The concepts of electronic mosquito repellers are simple and we can build a simple mosquito repellent circuit at home easily by using 555 timer ic and few other commonly available components.
555 Timer Touch Activated Alarm Circuit Diagram Circuit Diagram World
I tried purchasing several mouse traps which all face dif.
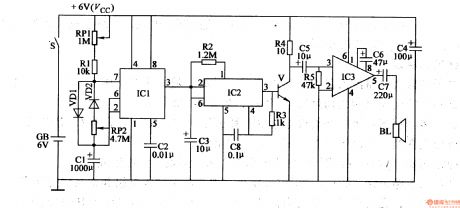
Electronic mouse killer circuit diagram. This circuit is mouse and rat repellent circuit using astable multivibrator which use principle of sound waves or ultrasonic cause they annoyed so it escaped away. That means they have the potential to eat a poisoned rat or mouse so that makes poisons doubly off limits for sure. Eevblog electronics community forum.
Electric rat mouse killer. Mouse circuit diagram electronic mouse killer 2 automotivecircuit circuit diagram bluetooth mouse circuit diagram computer mouse circuit diagram logitech mouse circuit diagram mouse circuit diagram mouse circuit diagram pdf mouse killer circuit diagram mouse repellent circuit diagram usb mouse circuit diagram wireless mouse. Technical information use power supply of 9 vdc.
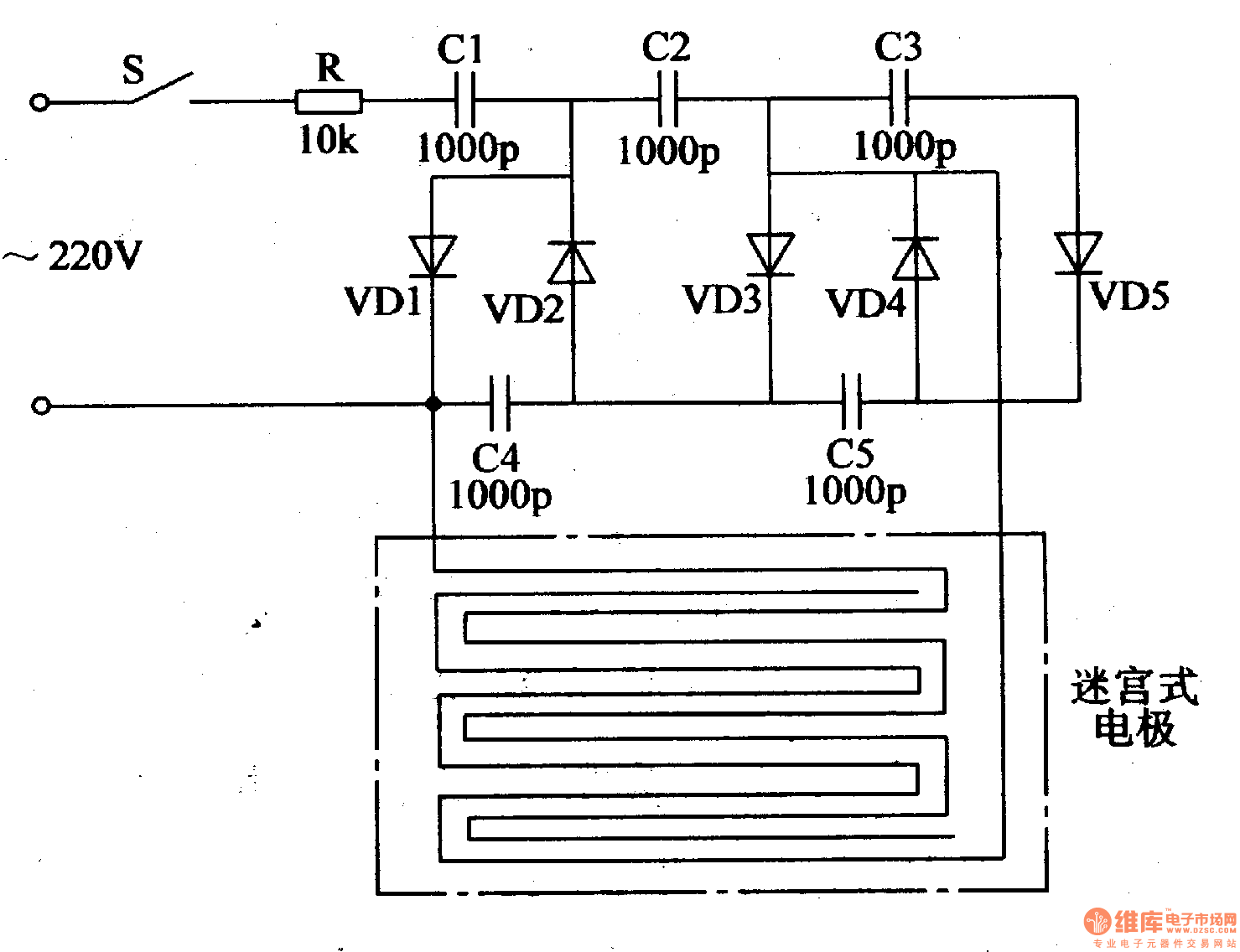
I have a major mouse pest problem where they eat all my dog and parrot food every night and many of them. Let me start out by clarifying the conflict between humane and mouse zapper. I will install it so that the plexiglas lid has to be closed to make a closed circuit on the input cord that way it will cut down on accidents.
A free open forum for electronics enthusiasts professionals. Ill get a drawing of the device and maybe i could get a little help with getting the correct component specs. This is small and cheap because use transistor no ics and super loud since use large piezoelectric but use low current source.
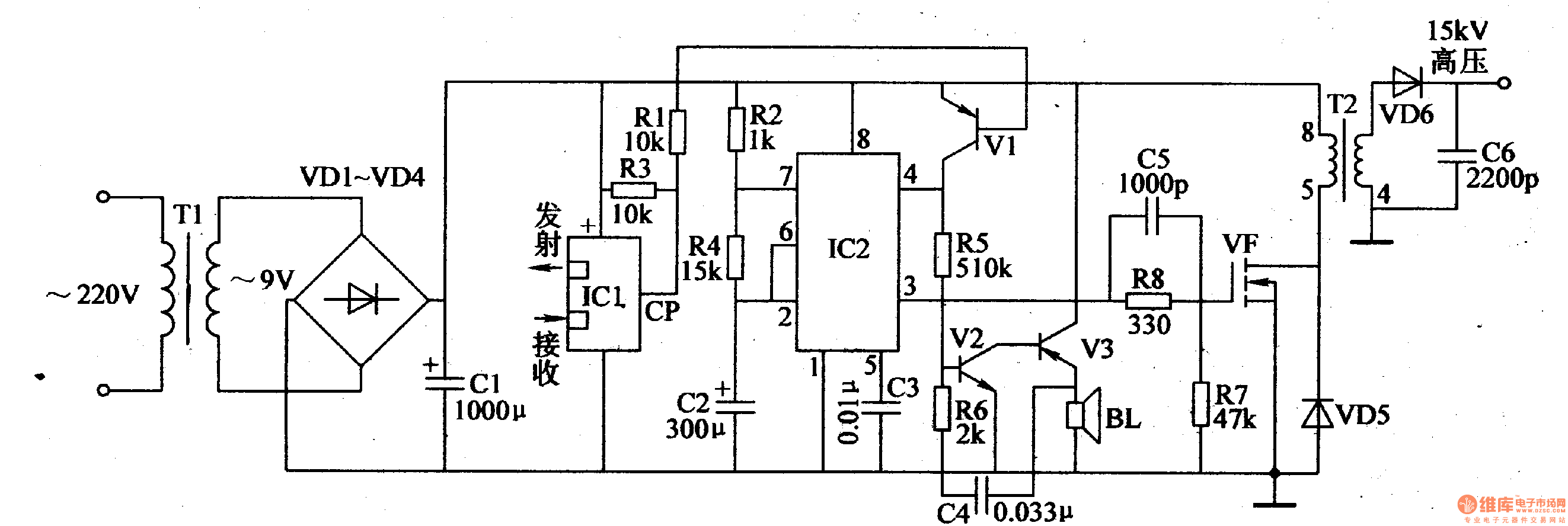
I found a pretty simple charging circuit on you tube and just need to build a couple and see how they do. When the voltage reaches a certain level v3 and v4 will be connected making k connected and the alarm circuit and high voltage output circuit begin to work. You have to understand thats its near immoral for us to hand you circuit diagrams that generate 8000v when youve said yourself that you dont understand them let alone know how.
When a mouse touches the sensor between ab v1 and v2 will be connected and c3 begins to charging. Mosquito repellent circuit diagram using 555 ic electronic mouse killer circuit diagram circuits ultrasonic sound photo mosquito repellent circuit diagram using 555 ic electronic mouse killer circuit diagram circuits ultrasonic sound image mosquito repellent circuit diagram using 555 ic electronic mouse killer circuit diagram circuits ultrasonic sound gallery. Where can i find circuit for electronic rat trap.
Humane multi mouse trap zapper no pain instant death.
Victor Electronic Mouse Trap M250s Victorpest Com
Electronic Mosquito Insect Repellent Circuit Using 555 Ic
Electronic Mouse Repellent Circuit
Mouse Killer Circuit Diagram Diagram Data Schema
Electronic Mosquito Repellent Circuit Diagram Using Ic 555
Victor Electronic Rat Trap M241 The Home Depot
Arduino Mouse Trap 5 Steps With Pictures
Rodent Repellent Rodent Repellent Circuit
Project Title Electronic Pest Repellent
Dc Circuit For Rat Killer Electronics Forum Circuits Projects
Mouse Trap Mouse Trap Sticker Teepublic
Rid O Rat Homemade Electronic Pest Control Device Youtube
Mosquito Killer Lamp Circuit Diagram Beautiful Mosquito Killer Lamp
Electronic Mouse Rat Trap Executioner Youtube
Diy Electronic Live Mouse Trap Youtube
Simple Rat Repellent Circuit Diagram Simple Circuit Diagram
Electronic Mouse Trap Pro Good Life Inc Innovative Products
Best Electric Mouse Trap How To Make A Homemade Electric Mousetrap
Where Can I Find Circuit For Electronic Rat Trap Page 1
Victor Electronic Mouse Trap In Action With Motion Cameras Full
Top 5 Best Electric Mouse Traps Updated For 2019
Index 84 Automotive Circuit Circuit Diagram Seekic Com
Homemade Rat Trap Is Easy To Make And Use For Getting Rid Of Rats
Rat Zapper Schematic 3x Electronic Mouse Trap Victor Control Rat
Arduino Mouse Trap 5 Steps With Pictures
How To Make A Mouse Electric Shock Trap Circuit Diagram High
Mouse Killer Circuit Diagram Diagram Data Schema



0 Response to "Electronic Mouse Killer Circuit Diagram"
Post a Comment