Homelite Xl Chainsaw Parts Diagram

Nos homelite chainsaw oregon 69c 716 x 063 chipper chain link repair kit 45818 899 899. Save money and repair it yourself.

Homelite Chainsaw Spare Parts Uk Carburetor For Diagram

Parts diagrams homelite literature information contact blog leons personal collection.

Homelite xl chainsaw parts diagram. Enter your homelite model number below. Parts diagrams homelite literature information contact blog. Most are listed as obsolete but at least you will have the part number for the part you need gasket and can maybe find a newer one that is the same.

Powered by shopify and made by reconfigure. Easy ordering fast shipping and great service. Skip to main content.

Buy it now 400 shipping. Nos homelite super xl xl 400 xl 500 chainsaw manual oil pickup filter a 59804 399 399 nos homelite 330 360 super xl xl 12 chainsaw 3 shoe clutch spring 93638 a. Click the search button to see more results.

Enter your model number in the search box above or just choose from the list below. We are here to help over 107 genuine homelite repair and replacement parts that are hassle free and guaranteed to fit every time. Parts lookup for homelite power equipment is simpler than ever.

Find great deals on ebay for homelite xl chainsaw parts. Nos homelite super xl xl 12 chainsaw wico coil bracket core screws a 94556 1999. Homelite xl 101 2627802 chainsaw oem 2 part.

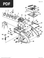
Homelite xl chain saw ut 10655 parts diagrams. There are online carburetor diagrams and parts lists available. Homelite xl 76 xl 101 to xl 123 xl 130 vi 123 chainsaw homelite xl 700 to xl 925 vi 944 vi 955 chainsaw.

Homelite xl 800 am chain saw parts list. Did your homelite model xl chainsaw gas break down. Look at page b here for a breakdown of the carb parts if you have the homelite xl2 chainsaw.

Xl Super 2 Homelite Chain Saw Parts List

Homelite 330 Parts Diagram Homelite Xl Chainsaw Parts Diagram

Homelite Chainsaw Parts Super 2 Chainsaw Parts Super Parts Chainsaw

Homelite Chainsaw Parts Unique Homelite Xl Chainsaw Parts Diagram

Homelite Chainsaw Parts Super 2 Chainsaw Parts Super Parts Chainsaw

X Fuel Filter For Super Sao Chainsaw Parts In Chainsaws From Tools

Homelite Chainsaw Parts Super Chain Saw Parts Manual Chainsaw Pro

Homelite Xl Chain Saw Ut 10655 Parts Diagrams

Homelite Super 2 Outdoor Power Equipment Ebay

Homelite Xl Parts Manual Ignition System Engine Technology

Homelite Xl 12 Chain Saw Owners Parts Service Manuals Downloa

Xl Super Parts List

Homelite Xl Parts Manual Ignition System Engine Technology

Homelite Xl Ut 10695 B Homelite Chainsaw Engine Internals

Homelite Sxlao Chain Saw Ut 10045 C Ereplacementparts Com

Homelite Xl Chain Saw Ut 10695 A Parts Diagrams

Homelite Chainsaw Parts Deals On 1001 Blocks

Craftsman Chainsaw Gas Line Diagram Best Fuel Line Filter Homelite

Homelite Xl Chain Saw Ut 10694 Parts And Accessories Partswarehouse

Stihl 029 Chainsaw Parts Manual Kayamotor Co

Homelite Model Xl Chainsaw Gas Genuine Parts

Homelite Xl Owner S Manual Free Pdf Download 24 Pages

Homelite Chainsaw Parts Deals On 1001 Blocks

Homelite Model Xl Chainsaw Gas Genuine Parts

Homelite Xl Ut 10695 Homelite Chainsaw Peripheral Engine Parts

Homelite Xl 12 Chainsaw Parts Products For Sale Ebay

Homelite Super 2 Xl Chain Saw Ut 10753 Parts Diagrams

Homelite Xl Chainsaw Specs Super Parts Auto Chainsaw Homelite Xl

Homelite Chainsaw Parts Diagram Engine Diagram Chart

Homelite Super 2 Xl Chain Saw Ut 10753 1 Parts Diagram For Ignition

Homelite Xl Chain Saw Ut 10695 B Parts And Accessories Partswarehouse

Homelite Chainsaw Parts Super 2 Chainsaw Parts Super Parts Chainsaw


0 Response to "Homelite Xl Chainsaw Parts Diagram"

Post a Comment

Iklan Atas Artikel

Iklan Tengah Artikel 1

Iklan Tengah Artikel 2

Iklan Bawah Artikel